
產品 · 參數
產品編號:BRHY05
產品名稱:燃油導熱油爐
規 格:常規
產品備注:可根據客戶需求設計制作
產品類別:燃油導熱油爐
產 品 說 明
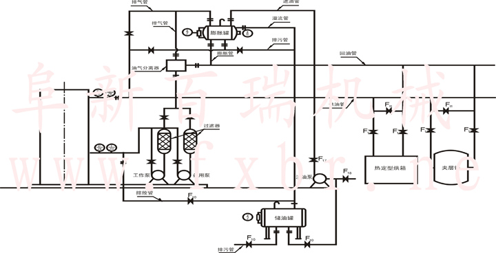
產品概述:
以煙煤、渣油、重油、輕油、可燃性氣體等燃料為主熱源,有機熱載體(導熱油)為傳熱介質,提供穩定的高溫熱源(≤350℃),熱出力大,熱效率高(70%-85%),具有完備的運行控制及安全監測裝置。
產品特點:
有機熱載體(導熱油)爐以輕油、可燃性氣體等燃料為主熱源,有機熱載體(導熱油)為傳熱介質,通過高溫油泵對載體進行強制液相循環,將熱能輸送給用熱設備,繼而返回爐內重新加熱再循環的特種工業鍋爐。
產品 · 特色
1.溝通咨詢
2.提供選型
3.出具方案
4.生產制作
5.送貨安裝
6.售后服務
聯系 · 方式
全國咨詢熱線:0418-2150188 0418-2150288
聯系QQ:710375724
地址:遼寧省阜新市高新技術產業園區廣元路
熱門 · 產品